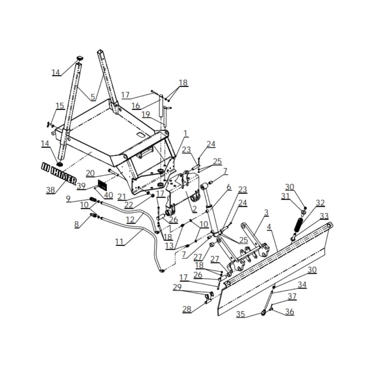
Carry 107 Transporter Grader Kit
Switch between sub-assemblies:
Total Price: $0.00

- Suggested: 1
- 1
3736MER Imer Bracket3736MER - 2
3738MER Imer Bracket3738MER - 3
3741MER Imer Bracket3741MER - 4
3737MER Imer Grade Blade3737MER - 5
3708MER Imer Support3708MER - 6
3881MER Imer Kit Seal3881MER - 7
3880MER Imer Bushing3880MER - Suggested: 4
- 13
2408MER Imer Adapter 1/42408MER - 14
3662MER Imer Cap3662MER - 15
3769MER Imer Pin3769MER - 16
3767MER Imer Pin3767MER - Suggested: 10
- 19
3768MER Imer Pin3768MER - 20
3491MER Imer Bolt M16X1003491MER - Discontinued
- 22
3510MER Imer Nut M163510MER - 23
3770MER Imer Pin3770MER - 24Discontinued
2289MER Imer Bolt M6X502289MER - 25
3505MER Imer Nut Hex M83505MER - 26
3766MER Imer Pin3766MER - 27
3562MER Imer Bushing3562MER - 28
3771MER Imer Pin3771MER - 29
3564MER Imer Pin 53564MER - Suggested: 6
- 31
3754MER Imer Bracket3754MER - 32
3573MER Imer Spring3573MER - 33
3755MER Imer Bracket3755MER - 34
3753MER Imer BoltM123753MER - 35
3568MER Imer Clevis3568MER - 36
3567MER Imer Pin3567MER - 38
3667MER Imer Plate Name 23667MER - 39
3670MER Imer Plate Name3670MER - 40
3522MER Imer Rivet 53522MER
