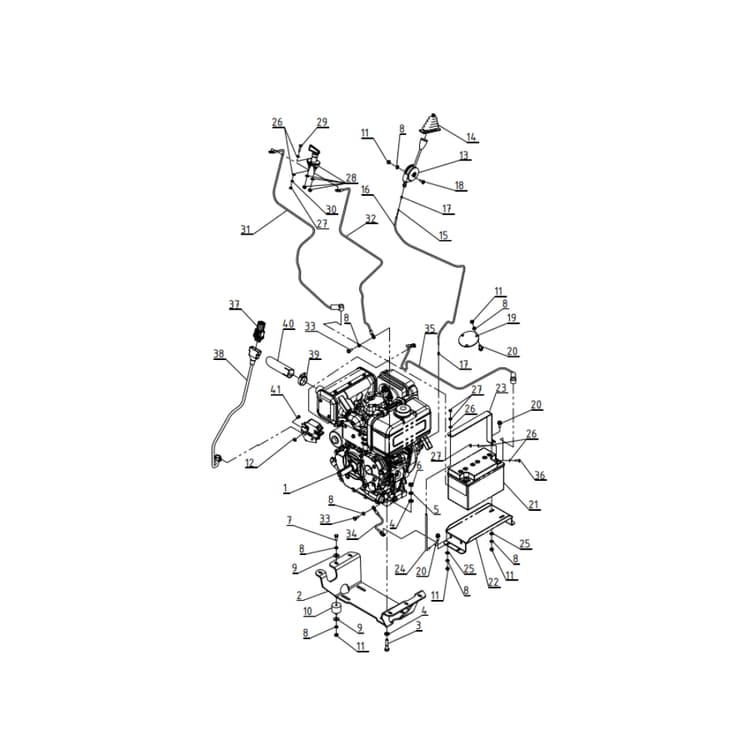
Carry 107 Transporter Diesel Engine 1
Switch between sub-assemblies:
Total Price: $0.00

- 1
3644MER Imer Engine Ass'y3644MER - 2
3723MER Imer Bracket3723MER - 3
3487MER Imer Bolt M10X503487MER - Suggested: 1
- Suggested: 1
- 6
3507MER Imer Nut M103507MER - 7
3480MER Imer Bolt M8X203480MER - Suggested: 1
- Suggested: 1
- Suggested: 1
- 12
3504MER Imer Nut M63504MER - Suggested: 1
- 14
3664MER Imer Boot3664MER - Suggested: 1
- Suggested: 1
- Suggested: 1
- 18
3496MER Imer Bolt M8X203496MER - 19
3694MER Imer Cover3694MER - 20
3548MER Imer Bolt M8X203548MER - 21
3652MER Imer Batte ry3652MER - 22
3675MER Imer Bracket3675MER - 23
3677MER Imer Bracket3677MER - 24
3697MER Imer Tie Rod3697MER - Suggested: 1
- 27
3505MER Imer Nut Hex M83505MER - 29Discontinued
3478MER Imer Bolt M6X253478MER - Suggested: 1
- 36
3477MER Imer Bolt M6X163477MER - 38
3807MER Imer Start Cable3807MER - 39
3524MER Imer Clamp Hose3524MER - 41
3476MER Imer Bolt M6X103476MER




