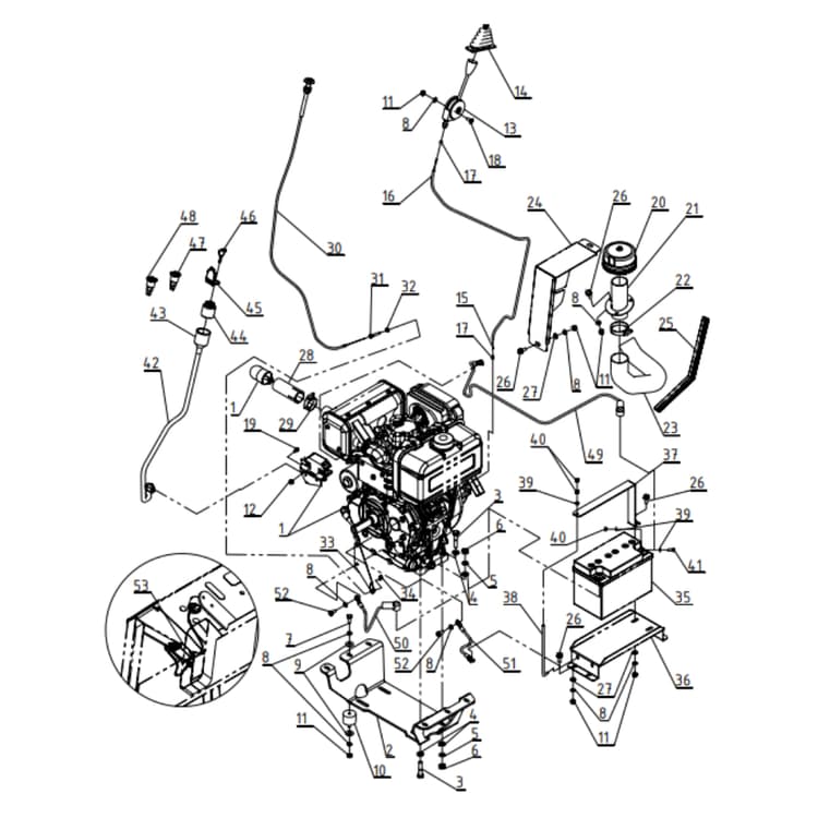
Carry 107 Transporter Diesel Engine 2
Switch between sub-assemblies:
Total Price: $0.00

- 1
3646MER Imer Engine Ass'y3646MER - 2
3723MER Imer Bracket3723MER - 3
3487MER Imer Bolt M10X503487MER - Suggested: 1
- Suggested: 1
- 6
3507MER Imer Nut M103507MER - 7
3480MER Imer Bolt M8X203480MER - Suggested: 1
- Suggested: 1
- Suggested: 1
- 12
3504MER Imer Nut M63504MER - Suggested: 1
- 14
3664MER Imer Boot3664MER - Suggested: 1
- Suggested: 1
- Suggested: 1
- 18
3496MER Imer Bolt M8X203496MER - 19
3476MER Imer Bolt M6X103476MER - 20
3650MER Imer Filter3650MER - 21
3701MER Imer Bracket3701MER - 22
3523MER Imer Clamp Hose3523MER - 23
3895MER Imer Hose Filter3895MER - 24
3703MER Imer Cover3703MER - 25
3898MER Imer Seal3898MER - 26
3548MER Imer Bolt M8X203548MER - Suggested: 1
- 29
3524MER Imer Clamp Hose3524MER - 30
3575MER Imer Cable S top3575MER - Suggested: 1
- 32
3553MER Imer Nut M63553MER - 33
3702MER Imer Bracket3702MER - 34
3529MER Imer Clamp3529MER - 35
3652MER Imer Batte ry3652MER - 36
3675MER Imer Bracket3675MER - 37
3677MER Imer Bracket3677MER - 38
3697MER Imer Tie Rod3697MER - 40
3505MER Imer Nut Hex M83505MER - 41
3477MER Imer Bolt M6X163477MER - 42
3808MER Imer Start Cable3808MER - 43
3657MER Imer Cover3657MER - 44
3653MER Imer Key Switch3653MER - 45
3658MER Imer Cover Switch3658MER - 46
3654MER Imer Key S tart3654MER - 52
3479MER Imer Bolt M8X163479MER



